LW26 N 20A 25A 32A 63A 125A 160A 3 LEVELS 3 POSITIONS 2 start positions and 1 stop postion CE Motor reversing Rotary Cam Switch
Rotary switches LW26 series
The rotary switches LW26 series are produced for switching on/off electrical circuits with commutated current from
20 to 160A. They are designed on the bases of the rotor-eccentric switching on which is realized through turning
of the handle to 60 or 90 degrees. The normal operation is used for commutation of two, three or four conductor
systems. There are special rotary switches that switch on under given connection schemes and are used to
control motors, electric welding machines and other consumers.
Documentation corresponding to the product:
Standard: EN 60947-1; EN 60947-3-1
Technical data:
* Power supply voltage: 230/400V; 50Hz
* Insulation voltage: 690V
* Impulse voltage wear resistance: 6000V
* Mechanical wear resistance: 3×105 commutation cycles
* Operation temperature: -10 ~ +50 ℃
* Humidity: 35 – 85% RH
* Commuting capacity: up to 160A according to the tables
* Plastic: UV rays wear resistance
* IP code:
– IP42 for the ordinary breakers mounted in a panel
– IP65 for the breakers offered in a box
* Cable connection: screw joining
* Tightening moment of the bolt: 1.33N
* Maximum section of the power supply conductors: according to the dimensions table
* Weight: according to the number of the contacts
Mounting:
* directly to the control panel
* thickness of the surface to which it is mounted: max 5mm
|
Model |
Characteristics |
Current Available |
Positions |
|
LW26 -** 0-1-2-3 |
Acts with selectivity up to 3 different circuits, single-phase operation |
20/25/32/63 |
4 (0-1-2-3) |
|
LW26 -** 0-1-2-3-4 |
Acts with selectivity in up to 4 different circuits, single-phase operation |
20/25/32/63 |
5 (0-1-2-3-4) |
|
LW26 -** 0-Y-D |
Used for 3 position switching, O-star-delta, motor starter switch |
25/32/63 |
3 (0-Y-D) |
|
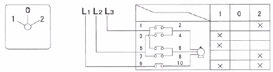
LW26 -** 6S/4 |
Used for two speed motor control; switching over between charging |
25/32/63 |
3 (1-0-2) |
|
LW26 -** YH3/3 |
Used for line meters in three-phase systems |
20 |
4 (0-RS-ST-TR) |
|
LW26 -** YH5/3 |
Used for voltage switching over |
20 |
7 (TR-ST-RS-0- RN-SN-TN) |
|
LW26 -** LH3/3 |
Used for amperemeter switching on to current transformers |
20 |
4 (0-R-S-T) |
|
LW26 -** 6N/3 |
Used for phase inversion / rotation in three-phase system |
20/32/63/125/160 |
3 (1-0-2) |
|
LW26 -** 6Q/2 |
Used for three-poles switching on; motor starting and stopping; voltage on/off |
20/32/63/125/160 |
2 (0-1) |
|
LW26 -** D0081/1 |
Transfer switch (switching) monopolar |
125/160 |
3 (1-0-2) |
|
LW26 -** D0723/3 |
Transfer switch (switching) tripolar |
125/160 |
3 (1-0-2) |
|
LW26 -** D1050/4 |
Transfer switch (switching) tetrapolar |
125/160 |
3 (1-0-2) |
|
Description |
LW26-20 |
LW26-25 |
LW26-32 |
LW26-63 |
LW26-125 |
LW26-160 |
||||||
|
Thermal Current (Ith) |
20 A |
25 A |
32 A |
63 A |
125 A |
160 A |
||||||
|
Working Voltage (Ue) |
240V |
440V |
240V |
440V |
240V |
440V |
240V |
440V |
240V |
440V |
240V |
440V |
|
Working Current (Ie) |
A |
|||||||||||
|
AC21/AC22 |
20 |
25 |
32 |
63 |
100 |
150 |
||||||
|
AC23 |
15 |
22 |
30 |
57 |
90 |
135 |
||||||
|
AC2 |
15 |
22 |
30 |
57 |
90 |
135 |
||||||
|
AC3 |
11 |
15 |
22 |
36 |
75 |
95 |
||||||
|
AC4 |
3,5 |
6,5 |
11 |
15 |
30 |
55 |
||||||
|
AC15 |
5 |
4 |
8 |
5 |
14 |
6 |
*** |
*** |
*** |
|||
|
Power |
kW |
|||||||||||
|
AC23 |
3,7/2,5 |
7,5/3,7 |
5,5/3 |
11/5,5 |
7,5/4 |
15/7,5 |
15/10 |
30/18,5 |
30/15 |
45/22 |
37/22 |
75/37 |
|
AC2 |
4 |
7,5 |
5,5 |
11 |
7,5 |
15 |
18,5 |
30 |
30 |
45 |
37 |
55 |
|
AC3 |
3/2,2 |
5,5/3 |
4/3 |
7,5/3,7 |
5,5/4 |
11/5,5 |
11/6 |
18,5/11 |
15/7,5 |
30/13 |
22/11 |
37/18,5 |
|
AC4 |
0,55/0,75 |
1,5/1,5 |
1,5/1,1 |
3/2,2 |
2,7/1,5 |
5,5/3 |
5,5/2,4 |
7,5/4 |
6/3 |
12/5,5 |
10/4 |
15/7,5 |

|
Model |
Front Plate |
A |
B |
C |
E |
F |
L |
D1 |
D2 |
|
LW26-20 |
Square |
48 |
48 |
43 |
36 |
36 |
22+9.6n |
Φ8.5 |
Φ4.5 |
|
LW26-20* |
Retangular |
48 |
60 |
43 |
36 |
36 |
22+9.6n |
Φ8.5 |
Φ4.5 |
|
LW26-25 |
Square |
48 |
48 |
45 |
36 |
36 |
23+12.8n |
Φ8.5 |
Φ4.5 |
|
LW26-32 |
Square |
64 |
64 |
58 |
48 |
48 |
29.2+12.8n |
Φ10 |
Φ4.5 |
|
LW26-63 |
Square |
64 |
64 |
66 |
48 |
48 |
29.2+21.5n |
Φ10 |
Φ4.5 |
|
LW26-125 |
Square |
88 |
88 |
84 |
68 |
68 |
35+26.5n |
Φ13 |
Φ6 |
|
LW26-160 |
Square |
88 |
88 |
88 |
68 |
68 |
35+32.5n |
Φ13 |
Φ6 |
* n = number of modules



