DZ47LE-63 Residual Current Circuit Breaker RCD 1P+N 2P 3P 3P+N 4P 230V 400V 30mA 50mA 100mA 300mA DZ47LE Residual Current Device
1. Application
DZ47LE-63 is applicable to a line of AC 50Hz/60Hz, rated voltage 230V for single pole two-wire, 2-pole or 400V for 3-pole, 3-pole 4-wire, 4-pole and rated current up to 40A. It can protectthe line and motor from overload and short circuit. It can also be used for infrequent line conver-sion and infrequent motor start. It conforms with the standards of IEC61009.
2. Main Technical Parameter
| Type | DZ47LE-63 | |
| Pole | 1P+N,2P | 3P,3P+N,4P |
| Rated current (A) | 6,10,16,20,25,32,40,50,63 | |
| Rated voltage (V) | 230 | 400 |
| Rated short circuit breaking capacity Icn(KA) | 6-32A :6 / 40-63: 4.5 | |
| Rated residual making/breaking capacity Im(A) | 2000 | |
| Rated residual action current In(A) | 0.03,0.05,0.1,0.3 | |
| Rated residual non-action current Ino(A) | 0.5In | |
3. Applicable conducting wire
| Rated current(A) | 1-6A | 10A | 16,20A | 25A | 32A | 40,50A | 63A |
| Norminal cross section of wire mm2 | 1 | 1.5 | 2.5 | 4 | 6 | 10 | 16 |
4. Residual current breaking time
| In(A) | In(A) | Breaking time(s) when equals to rating following | ||||
| In | 2In | 5In | 5,10,20,50,100,200,500a(A) | Itb | ||
| 6-63 | 0.03, 0.05, 0.1, 0.3 | 0.1 | 0.06 | 0.04 | 0.04 | 0.04 |
5. The over-current protection property
| Ambient Temperature | Initial Status | Test Current | Expected Result | Expected Result | Note |
| 30±oC | Cold position | 1.13In | t≥1h | Non-release | – |
| Carried out immediately after previous test | 1.45In | t< 1h | Release | – | |
| Cold position | 2.55In | 1s < T < 60S(IN≤32A) | Release | Current smoothly rises tospecified value within 5s | |
| Cold position | 2.55In | 1s < T < 120S(IN>32A) | Release | ||
| -5~+40oC | Cold position | 3In | t≥0.1s | Non-release | Type B |
| Cold position | 5In | t<0.1s | Release | Type B | |
| Cold position | 5In | t ≥ 0.1s | Non-release | Type C | |
| Cold position | 10In | t < 0.1s | Release | Type C | |
| Cold position | 10In | t≥0.1s | Non-release | Type D | |
| Cold position | 20In | t<0.1s | Release | Type D |
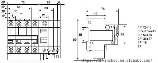
6. Dimension

